Prawidłowe podłączenie silnika trójfazowego to nie tylko kwestia jego uruchomienia, ale przede wszystkim zapewnienia bezpieczeństwa pracy, długotrwałej eksploatacji i ochrony całej instalacji elektrycznej. W tym artykule, jako Aleks Olszewski, przeprowadzę Cię przez kluczowe etapy i zasady, które pozwolą Ci bezpiecznie i efektywnie podłączyć silnik trójfazowy, unikając kosztownych błędów i potencjalnych zagrożeń.
Prawidłowe podłączenie silnika trójfazowego kluczowe zasady i schematy
- Tabliczka znamionowa jest podstawowym źródłem informacji o silniku, decydującym o sposobie podłączenia.
- Wybór konfiguracji (gwiazda Y lub trójkąt Δ) zależy od napięcia silnika i sieci dla polskiej sieci 400V silnik 230/400V podłączamy w gwiazdę, a 400/690V w trójkąt.
- Zmiana kierunku obrotów wymaga zamiany miejscami dwóch dowolnych faz zasilających.
- Niezbędne są zabezpieczenia: nadprądowe (wyłącznik nadprądowy) i przeciążeniowe (wyłącznik termiczny lub silnikowy), dobrane do parametrów silnika.
- Obudowa silnika musi być bezwzględnie podłączona do przewodu ochronnego (PE).
- Wszelkie prace instalacyjne powinny być wykonywane przez osoby z odpowiednimi uprawnieniami SEP.
Bezpieczeństwo i trwałość dlaczego prawidłowe podłączenie silnika trójfazowego jest kluczowe?
Prawidłowe podłączenie silnika trójfazowego to absolutna podstawa jego bezpiecznej i efektywnej pracy. Błędy w tym zakresie mogą prowadzić nie tylko do uszkodzenia samego silnika, ale także do poważnych zagrożeń dla użytkownika i całej instalacji elektrycznej. Mówimy tu o ryzyku porażenia prądem, pożaru, a także o znacznym skróceniu żywotności urządzenia. Jako praktyk, zawsze podkreślam, że precyzja i przestrzeganie norm to inwestycja w spokój i niezawodność.Zanim zaczniesz: kluczowe zasady bezpieczeństwa i wymagane uprawnienia (SEP)
Zanim w ogóle pomyślisz o dotknięciu przewodów, musisz mieć świadomość, że prace przy instalacjach elektrycznych, zwłaszcza trójfazowych, wymagają odpowiednich kwalifikacji. W Polsce niezbędne są uprawnienia SEP (Stowarzyszenia Elektryków Polskich) do 1kV. Samodzielne podłączanie silnika bez tych uprawnień jest nie tylko niezgodne z prawem, ale przede wszystkim skrajnie niebezpieczne. Zawsze pamiętaj o podstawowych zasadach bezpieczeństwa:- Odłącz zasilanie: Zawsze upewnij się, że obwód, do którego będziesz podłączać silnik, jest całkowicie pozbawiony napięcia. Wyłącz główny wyłącznik zasilania.
- Sprawdź brak napięcia: Użyj odpowiedniego miernika (np. woltomierza lub próbnika napięcia), aby upewnić się, że na żadnym z przewodów nie ma napięcia. Sprawdzaj każdą fazę oraz fazę do przewodu ochronnego (PE).
- Zabezpiecz przed ponownym włączeniem: Oznacz wyłącznik, aby nikt przypadkowo nie włączył zasilania podczas Twojej pracy.
- Używaj narzędzi izolowanych: Wszystkie narzędzia, których używasz, powinny posiadać odpowiednią izolację.
- Podłącz uziemienie: Zawsze jako pierwszy podłącz przewód ochronny (PE) do obudowy silnika, a odłączaj go jako ostatni.
Co grozi za błędy? Od spalenia silnika po ryzyko porażenia prądem
Konsekwencje nieprawidłowego podłączenia silnika trójfazowego mogą być naprawdę poważne. Z mojego doświadczenia wiem, że często lekceważy się te zagrożenia, co prowadzi do kosztownych awarii, a nawet tragedii.- Spalenie uzwojeń silnika: To najczęstsza konsekwencja złego podłączenia, np. podłączenie silnika 230/400V w trójkąt do sieci 400V. Spowoduje to przepływ zbyt wysokiego prądu przez uzwojenia, ich przegrzanie i w efekcie spalenie. Naprawa jest zazwyczaj nieopłacalna.
- Ryzyko porażenia prądem: Brak prawidłowego podłączenia przewodu ochronnego (PE) do obudowy silnika może sprawić, że w przypadku uszkodzenia izolacji, obudowa znajdzie się pod napięciem. Dotknięcie jej grozi śmiertelnym porażeniem.
- Pożar instalacji: Niewłaściwy dobór zabezpieczeń lub ich brak, w połączeniu z przeciążeniem silnika, może doprowadzić do przegrzania przewodów i w konsekwencji do pożaru.
- Nieprawidłowa praca i spadek mocy: Złe podłączenie może skutkować niepełnym wykorzystaniem mocy silnika, jego nadmiernym nagrzewaniem się, buczeniem, a nawet pracą w niewłaściwym kierunku.
- Uszkodzenie innych elementów instalacji: Zwarcie w silniku może doprowadzić do uszkodzenia aparatury zabezpieczającej, a nawet transformatora zasilającego.
Tabliczka znamionowa klucz do prawidłowego podłączenia silnika
Tabliczka znamionowa to absolutna biblia każdego elektryka pracującego z silnikami. Bez jej dokładnego odczytania i zrozumienia, podłączanie silnika jest jak chodzenie po omacku ryzykowne i nieprofesjonalne. To właśnie na niej znajdziesz wszystkie kluczowe informacje, które zadecydują o sposobie podłączenia, doborze zabezpieczeń i przewodów. Zawsze zaczynam od jej analizy.Napięcie (230/400V vs 400/690V) co te liczby mówią o sposobie podłączenia?
Na tabliczce znamionowej silnika trójfazowego często spotykamy podwójne wartości napięcia, np. 230/400V lub 400/690V. Te liczby są kluczowe i mówią nam, w jaki sposób silnik powinien być podłączony do naszej sieci. Pamiętaj, że w Polsce standardowe napięcie międzyfazowe to 400V, a fazowe to 230V. Gdy na tabliczce widzisz 230/400V, oznacza to, że silnik jest przystosowany do pracy w sieci, gdzie napięcie fazowe wynosi 230V, a międzyfazowe 400V. W takim przypadku, aby podłączyć go do polskiej sieci 400V, musisz zastosować połączenie w gwiazdę (Y). W tej konfiguracji na każde uzwojenie silnika zostanie podane napięcie fazowe 230V, co jest zgodne z jego parametrami znamionowymi. Natomiast, jeśli tabliczka wskazuje 400/690V, sytuacja jest inna. To oznacza, że silnik jest zaprojektowany do pracy w sieci, gdzie napięcie fazowe wynosi 400V, a międzyfazowe 690V. Aby podłączyć taki silnik do naszej sieci 400V, musisz zastosować połączenie w trójkąt (Δ). Dzięki temu na każde uzwojenie silnika zostanie podane napięcie międzyfazowe 400V, co również jest zgodne z jego parametrami znamionowymi.Moc, prąd znamionowy i obroty: jak te parametry wpływają na instalację?
Poza napięciem, tabliczka znamionowa dostarcza nam innych, równie ważnych danych:- Moc (kW): Określa zdolność silnika do wykonania pracy. Jest to podstawowy parametr, który informuje nas o jego wydajności i zastosowaniu.
- Prąd znamionowy (A): To absolutnie kluczowa wartość! Informuje nas o prądzie, jaki silnik pobiera w normalnych warunkach pracy przy znamionowym obciążeniu. Na podstawie prądu znamionowego dobieramy przekrój przewodów zasilających oraz parametry zabezpieczeń (nadprądowych i przeciążeniowych). Zbyt mały przekrój przewodów lub źle dobrane zabezpieczenia to prosta droga do przegrzewania się instalacji i awarii.
- Prędkość obrotowa (obr/min): Wskazuje nominalną prędkość obrotową wału silnika. Jest to ważne dla doboru przekładni lub bezpośredniego połączenia z maszyną, którą silnik ma napędzać. Często podawana jest również częstotliwość (Hz), zazwyczaj 50 Hz dla Europy.
Oznaczenia zacisków (U1, V1, W1): rozszyfrowanie standardów
W puszce przyłączeniowej silnika trójfazowego znajdziemy zazwyczaj sześć zacisków, oznaczonych w standardowy sposób. U1, V1, W1 to początki uzwojeń, natomiast U2, V2, W2 to ich końce. U1-U2 to pierwsze uzwojenie, V1-V2 drugie, a W1-W2 trzecie. Zrozumienie tych oznaczeń jest fundamentalne do prawidłowego ułożenia mostków i podłączenia zasilania.Gwiazda (Y) czy trójkąt (Δ)? Wybór odpowiedniej konfiguracji połączeń silnika
Wybór między połączeniem w gwiazdę (Y) a trójkąt (Δ) to jedna z najważniejszych decyzji przy podłączaniu silnika trójfazowego. Od niej zależy, czy silnik będzie pracował prawidłowo, czy też ulegnie uszkodzeniu. Jak już wspomniałem, ta decyzja jest ściśle związana z napięciem znamionowym silnika podanym na tabliczce oraz napięciem naszej sieci zasilającej.Kiedy musisz połączyć silnik w gwiazdę? Praktyczny schemat i instrukcja
Połączenie w gwiazdę (Y) stosujemy, gdy na tabliczce znamionowej silnika widnieje zapis 230/400V, a chcemy go podłączyć do polskiej sieci trójfazowej o napięciu międzyfazowym 400V. W tej konfiguracji na każde uzwojenie silnika trafia napięcie fazowe 230V, co jest dla niego bezpieczne i zgodne z parametrami. Oto instrukcja krok po kroku:- Zlokalizuj zaciski: Otwórz puszkę przyłączeniową silnika. Zobaczysz sześć zacisków: U1, V1, W1 (górny rząd) oraz U2, V2, W2 (dolny rząd).
- Ułóż mostki: Połącz ze sobą końce uzwojeń, czyli zaciski W2, U2, V2. Zazwyczaj robi się to za pomocą trzech metalowych mostków dostarczanych z silnikiem, układając je pionowo, tak aby połączyły ze sobą te trzy dolne zaciski.
-
Podłącz zasilanie: Przewody fazowe zasilania (L1, L2, L3) podłącz do początków uzwojeń, czyli odpowiednio:
- L1 do U1
- L2 do V1
- L3 do W1
- Podłącz przewód ochronny (PE): Bezwzględnie podłącz przewód ochronny (żółto-zielony) do zacisku uziemiającego na obudowie silnika.
W jakiej sytuacji stosujemy połączenie w trójkąt? Schemat i opis krok po kroku
Połączenie w trójkąt (Δ) jest wymagane, gdy silnik ma na tabliczce znamionowej oznaczenie 400/690V i podłączamy go do sieci trójfazowej 400V. W tej konfiguracji na każde uzwojenie silnika trafia napięcie międzyfazowe 400V, co jest dla niego prawidłowe. Oto instrukcja krok po kroku:- Zlokalizuj zaciski: Otwórz puszkę przyłączeniową silnika. Ponownie zobaczysz sześć zacisków: U1, V1, W1 (górny rząd) oraz U2, V2, W2 (dolny rząd).
-
Ułóż mostki: Połącz początek jednego uzwojenia z końcem drugiego. Zazwyczaj robi się to za pomocą trzech metalowych mostków, układając je poziomo, w następujący sposób:
- U1 z W2
- V1 z U2
- W1 z V2
-
Podłącz zasilanie: Przewody fazowe zasilania (L1, L2, L3) podłącz do zacisków, gdzie są połączone mostki z początkami uzwojeń:
- L1 do U1 (gdzie jest też W2)
- L2 do V1 (gdzie jest też U2)
- L3 do W1 (gdzie jest też V2)
- Podłącz przewód ochronny (PE): Pamiętaj o podłączeniu przewodu ochronnego (żółto-zielonego) do zacisku uziemiającego na obudowie silnika.
Wizualna ściągawka: Jak ułożyć mostki w puszce dla gwiazdy i trójkąta
Dla wielu osób, zwłaszcza początkujących, ułożenie mostków w puszce przyłączeniowej silnika bywa najbardziej problematyczne. Poniżej przedstawiam prostą ściągawkę, która pomoże Ci to zapamiętać. Pamiętaj, że zaciski U1, V1, W1 są zazwyczaj w górnym rzędzie, a U2, V2, W2 w dolnym.| Konfiguracja | Ułożenie mostków | Opis |
|---|---|---|
| Gwiazda (Y) | Pionowo | Łączymy ze sobą wszystkie końce uzwojeń (U2, V2, W2). |
| Trójkąt (Δ) | Poziomo | Łączymy początek jednego uzwojenia z końcem drugiego (U1-W2, V1-U2, W1-V2). |
Podłączanie zasilania do silnika trójfazowego praktyczny przewodnik
Po ustaleniu konfiguracji połączenia i ułożeniu mostków, kolejnym kluczowym krokiem jest prawidłowe podłączenie zasilania. To tutaj często pojawiają się błędy związane z doborem przewodów i zaniedbaniem przewodu ochronnego, co może mieć fatalne skutki.Dobór odpowiedniego przewodu: jaki przekrój i ile żył wybrać?
Dobór odpowiedniego przewodu zasilającego jest absolutnie krytyczny dla bezpieczeństwa i prawidłowej pracy silnika. Zbyt cienki przewód będzie się przegrzewał, co może doprowadzić do pożaru lub uszkodzenia izolacji.- Prąd znamionowy: Przekrój przewodu dobieramy przede wszystkim na podstawie prądu znamionowego silnika (odczytanego z tabliczki znamionowej) oraz długości linii zasilającej. Im większy prąd i dłuższa linia, tym większy przekrój jest potrzebny, aby uniknąć nadmiernego spadku napięcia i przegrzewania. Zawsze konsultuj się z tabelami doboru przewodów zgodnymi z obowiązującymi normami.
-
Liczba żył:
- W większości nowoczesnych instalacji stosujemy przewody 5-żyłowe (L1, L2, L3, N, PE), nawet jeśli silnik nie wymaga przewodu neutralnego (N). Przewód neutralny może być przydatny np. do zasilania sterowania.
- W starszych instalacjach lub tam, gdzie przewód neutralny nie jest potrzebny, można zastosować przewody 4-żyłowe (L1, L2, L3, PE).
- Izolacja: Upewnij się, że izolacja przewodu jest odpowiednia do warunków środowiskowych (temperatura, wilgotność, obecność substancji chemicznych).
Podłączanie przewodów fazowych (L1, L2, L3) i ochronnego (PE)
Po dobraniu odpowiedniego przewodu, możemy przystąpić do podłączenia. Pamiętaj o kolejności i precyzji:- Przygotuj przewody: Odejmij izolację zewnętrzną przewodu na odpowiednią długość, a następnie odizoluj końcówki poszczególnych żył. Jeśli to możliwe, zarób końcówki tulejkami.
- Podłącz przewód ochronny (PE): To jest najważniejszy krok. Przewód żółto-zielony (PE) podłącz do specjalnego zacisku uziemiającego na obudowie silnika. Zawsze upewnij się, że połączenie jest solidne i pewne. Jest to Twoja podstawowa ochrona przed porażeniem.
- Podłącz przewody fazowe (L1, L2, L3): Przewody fazowe (najczęściej brązowy, czarny, szary) podłącz do zacisków U1, V1, W1 (lub odpowiednich zacisków w konfiguracji trójkąta, gdzie łączą się mostki). Zachowaj kolejność faz, choć początkowo nie ma to znaczenia dla samego uruchomienia, a jedynie dla kierunku obrotów.
- Sprawdź połączenia: Po podłączeniu wszystkich przewodów, dokładnie sprawdź, czy wszystkie połączenia są mocno dokręcone i czy nie ma luźnych żył, które mogłyby spowodować zwarcie.
Jak w prosty sposób zmienić kierunek obrotów silnika?
Jeśli po uruchomieniu silnika okaże się, że kręci się on w niewłaściwym kierunku, nie ma powodu do paniki. Zmiana kierunku obrotów silnika trójfazowego jest bardzo prosta. Wystarczy, że zamienisz miejscami dwie dowolne fazy zasilające (np. L1 z L2) w puszce przyłączeniowej silnika. Trzecia faza pozostaje bez zmian. Pamiętaj, aby przed wykonaniem tej operacji bezwzględnie odłączyć zasilanie!
Niezbędne zabezpieczenia silnika ochrona przed uszkodzeniem i zagrożeniami
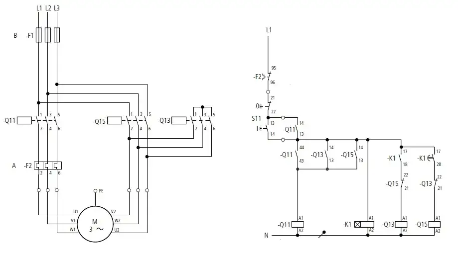
Prawidłowe zabezpieczenie silnika trójfazowego to nie tylko wymóg norm, ale przede wszystkim gwarancja jego długiej i bezawaryjnej pracy, a także bezpieczeństwa użytkowników i całej instalacji elektrycznej. Nigdy nie oszczędzaj na zabezpieczeniach to inwestycja, która się zwraca.Zabezpieczenie zwarciowe: Jaki wyłącznik nadprądowy (S) będzie najlepszy?
Zabezpieczenie zwarciowe ma za zadanie chronić silnik i instalację przed skutkami zwarcia, czyli gwałtownego i niekontrolowanego wzrostu prądu.- Rola: W przypadku zwarcia wyłącznik nadprądowy (potocznie "eska") natychmiast rozłączy obwód, zapobiegając uszkodzeniu silnika, przewodów i innym elementom instalacji.
- Dobór: Najczęściej stosuje się wyłączniki nadprądowe o charakterystyce C lub D. Charakterystyka C jest odpowiednia dla silników o umiarkowanym prądzie rozruchowym, natomiast D dla silników o dużym prądzie rozruchowym (np. z dużym momentem bezwładności). Prąd znamionowy wyłącznika dobieramy tak, aby był wyższy niż prąd znamionowy silnika, ale jednocześnie niższy niż dopuszczalna obciążalność przewodów. Zbyt niski prąd wyłącznika będzie powodował jego niepotrzebne wyłączanie podczas rozruchu silnika.
Ochrona przed przeciążeniem: Rola i prawidłowe ustawienie wyłącznika termicznego ("termika")
Zabezpieczenie przeciążeniowe chroni uzwojenia silnika przed uszkodzeniem w wyniku długotrwałego przeciążenia, które prowadzi do przegrzewania.- Rola: Wyłącznik termiczny, często nazywany "termikiem", monitoruje prąd pobierany przez silnik. Jeśli prąd ten przez dłuższy czas przekracza ustaloną wartość, termik rozłącza zasilanie, chroniąc uzwojenia przed przegrzaniem i spaleniem.
- Ustawienie: Prąd nastawy termika powinien być równy prądowi znamionowemu silnika, odczytanemu z tabliczki znamionowej. Jest to absolutnie kluczowe dla skutecznej ochrony. Zbyt wysoka nastawa nie ochroni silnika, a zbyt niska będzie powodować niepotrzebne wyłączanie.
Wyłącznik silnikowy zintegrowane rozwiązanie dla pełnej ochrony
Wyłącznik silnikowy to bardzo popularne i wygodne rozwiązanie, które łączy w sobie funkcje zarówno zabezpieczenia zwarciowego (nadprądowego), jak i przeciążeniowego (termicznego). Jest to kompleksowe urządzenie, które zapewnia pełną ochronę silnika w jednym kompaktowym module. Wyłączniki silnikowe posiadają regulację prądu nastawy, co ułatwia ich dopasowanie do konkretnego silnika. Często są wyposażone również w przyciski start/stop, co dodatkowo upraszcza sterowanie.Przeczytaj również: Jaki olej do silnika? Pełny poradnik: dobierz idealny dla Twojego auta!
Rozwiązywanie problemów co zrobić, gdy silnik trójfazowy nie działa prawidłowo?
Nawet przy najlepszym przygotowaniu, czasami zdarzają się problemy. Ważne jest, aby wiedzieć, jak szybko i bezpiecznie zdiagnozować i rozwiązać najczęstsze usterki. Pamiętaj, że zawsze zaczynamy od odłączenia zasilania!Silnik buczy i grzeje się, ale nie rusza diagnostyka braku fazy
To jeden z najczęstszych problemów, z którymi spotykam się w praktyce. Silnik próbuje startować, wydaje charakterystyczne buczenie, ale wał się nie obraca lub obraca się z trudem i bardzo powoli, a sam silnik szybko się nagrzewa.-
Możliwe przyczyny:
- Brak jednej fazy zasilającej: To najczęstsza przyczyna. Silnik próbuje ruszyć na dwóch fazach, co jest niemożliwe przy normalnym obciążeniu.
- Zbyt niskie napięcie: Napięcie zasilania jest zbyt niskie, aby silnik mógł wytworzyć wystarczający moment obrotowy.
- Uszkodzenie uzwojenia: Jedno z uzwojeń silnika jest uszkodzone (np. przerwane lub zwarte).
- Zablokowanie mechaniczne: Wał silnika lub maszyna, którą napędza, jest zablokowana.
-
Kroki diagnostyczne (skupienie na braku fazy):
- Odłącz zasilanie!
- Sprawdź bezpieczniki/wyłączniki: Upewnij się, że wszystkie bezpieczniki są sprawne, a wyłączniki nadprądowe nie są wyłączone.
- Sprawdź napięcie na zaciskach silnika: Po ponownym, ostrożnym włączeniu zasilania, zmierz napięcie międzyfazowe (L1-L2, L2-L3, L3-L1) w puszce przyłączeniowej silnika. Wszystkie trzy wartości powinny być zbliżone do 400V. Jeśli któraś faza jest "nieobecna" (brak napięcia lub znacznie niższe), to masz problem z zasilaniem (np. przepalony bezpiecznik, przerwany przewód).
- Sprawdź ciągłość uzwojeń: Po odłączeniu zasilania i odłączeniu silnika od sieci, zmierz rezystancję każdego uzwojenia (U1-U2, V1-V2, W1-W2). Wartości powinny być zbliżone. Znaczna różnica lub brak ciągłości wskazuje na uszkodzenie uzwojenia.
